
The HOMCOM Entryway Shoe Storage Cabinet (837-292V00GY) is designed to keep your footwear neatly organized while adding a modern touch to your home. Its slim profile and multiple compartments help you maximize entryway space without clutter.
To get the most from your cabinet, follow all safety instructions, assemble carefully, and maintain it regularly.
Warning and Safety Instructions
- For indoor use only.
- Assemble on a flat, stable, dry surface.
- Use at least two people for assembly.
- Keep packaging materials away from children.
- Do not exceed the cabinet’s weight capacity.
- Keep away from flames and high heat sources.
- Do not modify or alter any parts.
- The manufacturer is not responsible for damage caused by incorrect installation.
Unboxing Your Cabinet: What’s Inside the Box
When unboxing, confirm that all parts and hardware are present. Place them on a clean, smooth surface to avoid scratches.
Panels & Parts

- Top Panel ×1
- Bottom Panel ×1
- Left Side Panel ×1
- Right Side Panel ×1
- Middle Divider ×1
- Shelves ×3
- Support Rail (short) ×1
- Support Rail (long) ×1
- Door Panel (Left) ×1
- Door Panel (Right) ×1
- Back Panels ×2
Hardware Pack

How to Assemble Your Shoe Cabinet
When you are going to assemble the HOMCOM Entryway Shoe Storage Cabinet follow the sequence carefully and use the matching images for guidance.
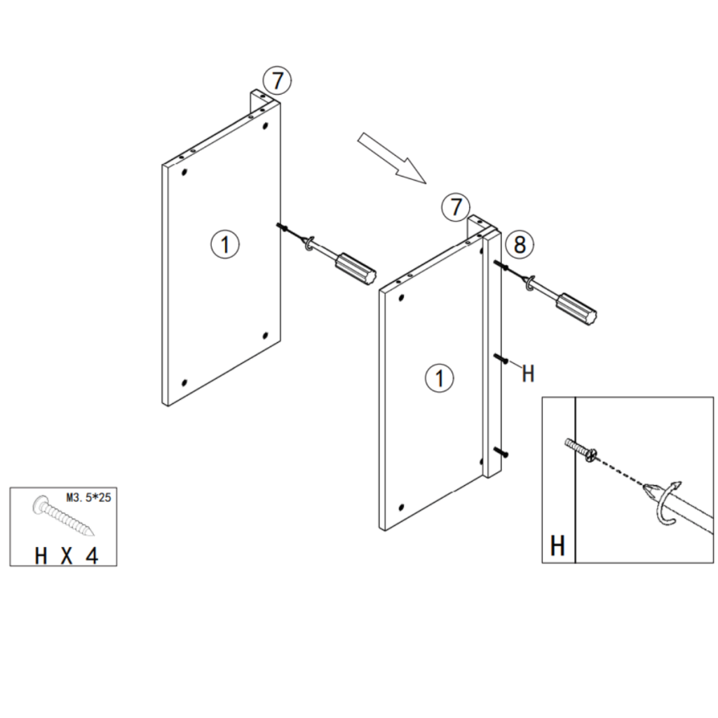
Step 1: Prepare the Top Panel

- Lay the two Top Panels (1) flat with the inner sides facing up.
- Attach the Support Rail (7) to one panel and the Support Rail (8) to the other.
- Secure each rail using H screws (M3.5 × 25, ×4 total).
- Tighten screws with a screwdriver. Do not overtighten.
Step 2: Assemble the Cabinet Frame

- Position the Bottom Panel (3) flat on the ground.
- Insert B dowels (M8 × 40, ×12) into the pre-drilled holes of the side panels (1 & 2) and the middle divider (5).
- Attach the side panels (1 & 2) and middle divider (5) vertically onto the Bottom Panel (3).
- Place the Top Panel (4) on top, aligning with the dowels.
- Secure all joints with A cam lock bolts (×14). Turn clockwise to lock firmly in place.
Step 3: Attach the Back Panels

- Lay the cabinet frame down carefully with the rear side facing up.
- Position the two Back Panels (11 ×2) so they fully cover the back opening.
- Align edges with the side panels (2), top panel (4), and bottom panel (3).
- Secure with the provided screws (see hardware chart) to hold panels firmly in place.
Step 4: Fix the Back Panels with Screws

- Use K screws (×22) to secure the back panels all around the edges.
- Drive screws straight into the guide holes.
- Double-check that the back is firmly attached and the cabinet is square
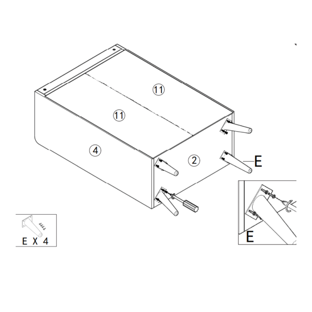
Step 5: Attach the Cabinet Legs

- Turn the cabinet carefully onto its side or back so the bottom is accessible.
- Position each Leg (E ×4) at the designated corners of the cabinet base.
- Use the screws provided with the legs to secure them firmly into place.
- Tighten each screw with a screwdriver. Make sure all legs are straight and stable.
Step 6: Install the Shelves

- Insert the F shelf supports (×12) into the pre-drilled holes inside the cabinet.
- Place each shelf (6 ×3) onto the supports.
- Make sure all shelves sit level and securely on the pins.
- Adjust shelf height by choosing different sets of pre-drilled holes if needed.
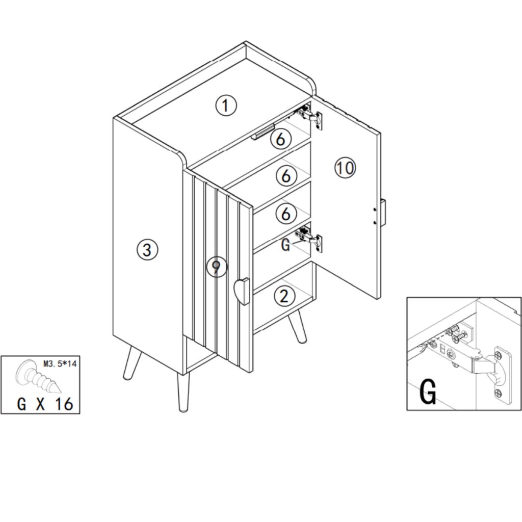
Step 7: Assemble the Doors

- Place the Door Panels (9 & 10) flat with the inner side facing upward.
- Attach Hinges (C ×4) to the pre-marked positions on the door edges.
- Secure each hinge using G screws (M3.5 × 14, ×8 total).
- Fix the Door Handles (D ×2) to the front of each door using the included screws.
- Tighten all screws with a screwdriver, making sure hinges and handles are firmly secured.
Step 8: Attach the Doors to the Cabinet

- Position the Left Door (9) and Right Door (10) against the front of the cabinet.
- Align the Hinges (C) with the pre-drilled holes inside the cabinet walls.
- Secure each hinge using G screws (M3.5 × 14, ×16 total).
- Open and close both doors several times to ensure smooth movement.
- Adjust hinge screws slightly if needed for proper alignment.
Step 9: Install the Magnet Plates

- Open both cabinet doors (9 & 10).
- Position the Magnet Plates (I-1 ×2) on the top inside edge of the cabinet, aligned with the doors.
- Use the provided screws to secure each plate in place.
- Close the doors to check that they align correctly with the magnets and stay shut firmly.
- Adjust slightly if doors don’t close evenly.
Step 10: Install the Safety Brackets

- Turn the cabinet so the back side is accessible.
- Position the Safety Brackets (I-2 ×2) at the top corners on the back of the cabinet.
- Secure each bracket using the provided screws.
- For maximum stability, anchor the safety brackets to the wall using appropriate wall plugs and screws (not included, choose according to your wall type).
- Ensure the cabinet stands straight and does not wobble.
Care and Maintenance Tips
- Wipe with a soft, dry cloth.
- Spot clean with a damp cloth if needed.
- Do not use harsh chemicals or abrasives.
- Re-tighten screws periodically.
- Keep in a dry environment to prevent warping.
When to Call a Professional
- If major panels are cracked or damaged on arrival.
When you cannot align panels even after adjustment. - If drawers or hinges are not functioning correctly after assembly.
When assembled correctly, your HOMCOM Entryway Shoe Storage Cabinet (837-292V00GY) will provide reliable and stylish storage for years. Follow the steps carefully, maintain regularly, and enjoy an organized entryway.
User Guide
Download the user guide manual for your reference.
FAQs
1. How can I prevent my shoe cabinet from wobbling?
Check that all legs are firmly tightened and the cabinet is on a level surface. Use wall anchors for added stability if it still wobbles. Small rubber pads under legs can also absorb uneven floor pressure.
2. What’s the best way to adjust misaligned doors?
Loosen the hinge screws slightly and realign the doors visually. Tighten screws gradually while keeping the door level. Repeat until doors open and close smoothly without gaps.
3. How do I stop shoes from slipping inside the shelves?
Use non-slip liners or shelf mats to create friction. Keep heavier shoes on lower shelves to prevent tipping. Adjust shelf height so shoes fit snugly without crowding.
4. How can I maintain the cabinet finish?
Regularly dust with a soft, dry cloth to prevent buildup. Wipe spills immediately with a slightly damp cloth. Avoid harsh cleaners or abrasive scrubbing to prevent scratches.
5. What should I do if a screw or hinge comes loose?
Retighten loose screws promptly with the correct screwdriver. Replace stripped screws with slightly larger ones if necessary. Periodically check all hardware to maintain safety and stability.
